Un plan précis.
Une installation conforme.
L'outil collaboratif et mobile qui centralise toute l'installation électrique, pour un contrôle sans friction.

La CAO électrique réinventée
Créez des plans électriques précis et conformes en quelques clics. Notre plateforme collaborative transforme votre façon de concevoir et de partager vos projets électriques.

Faites le calcul : moins de clics, plus de chantiers.
Découvrez combien vous pouvez économiser avec ElectriCAD
Combien de plans réalisez-vous par mois ?
Incluez vos plans avec schémas et tableaux.
Tout ce dont vous avez besoin
Une suite complète d'outils pour créer, collaborer et déployer vos projets électriques avec une précision professionnelle.
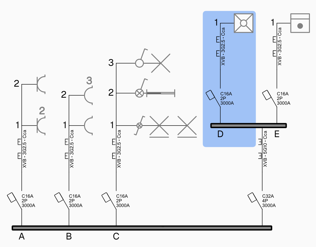
Editeur de plan d'implantation
Editeur de schéma unifilaire
Pensé pour le contrôle électrique
Accessible partout, sans installation
Collaboration en temps réel
Conforme au RGIE
Editeur de plan d'implantation
Dessinez rapidement et précisément vos plans d'implantations

Ils nous accompagnent dès le départ
Merci à ces entreprises qui nous ouvrent leurs portes, testent notre solution sur chantier et nous donnent un retour précieux pour en faire un outil taillé pour leur réalité.


Votre nom ici
Rejoignez l'aventure





Votre nom ici
Rejoignez l'aventure





Votre nom ici
Rejoignez l'aventure


